Bmw E36 Wiring Diagram Pdf Wiring Diagram E46 M3 Stereo Bmw E90 Fuse E Box Inside Diagrams In Bmw
Bmw e36 wiring diagram download

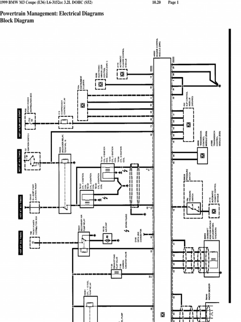
Bmw e36 m3 wiring diagram. Wiring diagram delco stereo bmw e36 radio quantum toyota diagrams k1200rs 1993 pdf famous. Bmw e46 ignition switch wiring diagram #diagram #diagramtemplate #. Wiring diagram bmw e46 trailer z4 x3 harness circuit pdf e83 pdc electrical trimble ignition cluster switch engine e36 wire









No comments:
Post a Comment